神钢电机株式会社 SHINKO

 
  首 页 | 神钢SHINKO介绍 | 神钢SHINKO 产品 | 联系我们 |        
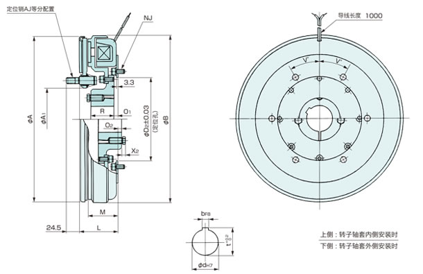
通轴型离合器 SF-825/IMP  

 



泽鹏科技销售电话:021-67757169手机:178 2171 9638  E-mail:zepengtech@163.com QQ:3223914812
                     上海市新镇路32弄7号-550E室  版权所有15055988号 办事处: | 美国 | 日本 | 济南|  精密调压阀|调压阀|电气转换器|流量放大器|平衡阀|继动器| 神钢电机                    
  SHINKO神钢离合器|日本神钢电机|臂式制动器|AR用连接器|2A-11|14J/4A-19|24J/5A-28J/8A-38|42J|AR-250|调整壁型制动器组合|华纳离合器制动器|shinko